NL鼓形齒聯軸器

鼓形齒式聯軸器
鼓形齒式聯軸器是可移式剛性聯軸器中用途最廣范的一種聯軸器。它是利用內外齒嚙合以實現兩半聯軸器的連接。鼓形齒式聯軸器的特點是結構緊湊,使用范圍廣,工作可靠,具有綜合補償兩軸相對位移的能力。但制造困難,需要良好的潤滑與密封,反轉時有沖擊。適用于重載下工作或高速運轉的水平軸的連接。鼓形齒式聯軸器的型式與用途:
標準號 | 型號 | 用途 | 圖形 |
JB/T8854.2-2001 | GⅡCL | 用于結構緊湊、轉動慣量小的圓柱形軸伸的各類機械傳動,具有兩對鼓形齒補償兩軸線相對位移能力。 | |
JB/ZQ4186-1997 | WGⅡ | ||
JB/T8854.2-2001 | GⅡCLZ | 用于相隔較遠成利用中間軸增大軸線偏移補償量的各類機械傳動的圓柱形軸伸。用中間軸連接兩個聯軸器,才能有較大位移補償能力。 |
|
JB/T8854.3-2001 | GⅠCLZ | ||
JB/T8854.1-2001 | GCLD | 用于電機的圓柱形式或圓錐形軸伸與其它機器軸緊湊結構的連接。 |
|
JB/T7004-2007 | WGT | 用于兩軸相隔較遠的各類機械運動,它具有剛度大、重量輕、容易維修的優點。 |
|
JB/T7001-2007 | WGP | 帶有制動盤,配用夾鉗制動器。 |
|
JB/T7003-2007 | WGZ | 帶制動輪鼓形齒式聯軸器,配用瓦塊制動器。 |
|
JB/ZQ4644-1997 | NGCL | ||
JB/ZQ4645-1997 | NGCLZ | ||
JB/T7002-2007 | WGC | 用于垂直安裝的各類機械。 |
|
JB/T8854.3-2001 | GⅠCL | 有較大的軸線偏移補償量。 |
|
JB/ZQ4186-1997 | WGⅠ | ||
JB/T5514-2007 | TGL | 適用于中、小功率傳動軸系。 |
|
TGL型鼓形齒式聯軸器
結構特點
雙節式曲面齒聯軸器適用于各種機械工程和液壓領域,工程塑料和鋼的配合,免維護,可以補償軸向、徑向、角向誤差。使用環境溫度-25~+100℃,成品孔徑按照ISO標準為H7,鍵槽寬公差按照GB/T1095-2003標準JS9。
注意:
①設計選型時,要作扭矩的計算,并考慮轉矩變化,起動頻繁,環境條件,合理的選擇工況系數。
②灰塵較大的場地,用C型結構較好。
③裝配時勿將雜物留在腔內。
④裝配好后,內齒圈應能用手自由轉動。
⑤小規格可采用螺釘擰緊。
TGL型鼓形齒式聯軸器基本參數和主要尺寸
型號 | 主要尺寸 | 軸孔直徑 d1、d2 | 軸孔長度 L | 公稱扭矩 N·m | 許用轉速 rpm | 轉動慣量kg·m2 | 重量kg | 許用補償量 | ||||||||
D | B | S | 徑向 | 軸向 | 角向 | |||||||||||
A/B型 | C型 | A/B型 | C型 | A、B型 | C型 | A/B型 | C型 | mm | mm | ( °) | ||||||
TGL1 | 40 | — | 38 | — | 4 | 6,7 | 16 | 10 | 10000 | 0.00003 | — | 0.2 | — | 0.3 | ±1 | ±1 |
8,9 | 20 | |||||||||||||||
10,11 | 22 | |||||||||||||||
12,14 | 27 | |||||||||||||||
TGL2 | 48 | — | 38 | — | 4 | 8,9 | 20 | 16 | 9000 | 0.00006 | — | 0.278 | — | 0.3 | ±1 | ±1 |
10,11 | 22 | |||||||||||||||
12,14 | 27 | |||||||||||||||
16,18,19 | 30 | |||||||||||||||
TGL3 | 56 | 58 | 42 | 52 | 4 | 10,11 | 22 | 31.5 | 8500 | 0.00012 | 0.00015 | 0.428 | 0.533 | 0.4 | ±1 | ±1 |
12,14 | 27 | |||||||||||||||
16,18,19 | 30 | |||||||||||||||
20,22,24 | 38 | |||||||||||||||
TGL4 | 66 | 70 | 46 | 56 | 4 | 12,14 | 27 | 45 | 8000 | 0.00033 | 0.0004 | 0.815 | 0.869 | 0.4 | ±1 | ±1 |
16,18,19 | 30 | |||||||||||||||
20,22,24 | 38 | |||||||||||||||
25,28 | 44 | |||||||||||||||
TGL5 | 75 | 85 | 48 | 58 | 4 | 14 | 27 | 63 | 7500 | 0.00072 | 0.00088 | 1.39 | 1.52 | 0.4 | ±1 | ±1 |
16,18,19 | 30 | |||||||||||||||
20,22,24 | 38 | |||||||||||||||
25,28 | 44 | |||||||||||||||
30,32 | 60 | |||||||||||||||
TGL6 | 82 | 90 | 48 | 58 | 4 | 16,18,19 | 30 | 80 | 6700 | 0.0012 | 0.0015 | 2.02 | 2.15 | 0.4 | ±1 | ±1 |
20,22,24 | 38 | |||||||||||||||
25,28 | 44 | |||||||||||||||
30,32,35,38 | 60 | |||||||||||||||
TGL7 | 92 | 100 | 50 | 60 | 4 | 20,22,24 | 38 | 100 | 6000 | 0.0024 | 0.0027 | 3.01 | 3.14 | 0.4 | ±1 | ±1 |
25,28 | 44 | |||||||||||||||
30,32,35,38 | 60 | |||||||||||||||
40,42 | 84 | |||||||||||||||
TGL8 | 100 | 100 | 50 | 60 | 4 | 22,24 | 38 | 140 | 5600 | 0.0037 | 0.0039 | 4.05 | 4.18 | 0.4 | ±1 | ±1 |
25,28 | 44 | |||||||||||||||
30,32,35,38 | 60 | |||||||||||||||
40,42,45,48 | 84 | |||||||||||||||
TGL9 | 140 | 140 | 72 | 85 | 4 | 25,28 | 44 | 355 | 4000 | 0.0155 | 0.0166 | 8.25 | 8.51 | 0.6 | ±1 | ±1 |
30,32,35,38 | 60 | |||||||||||||||
40,42,45,48, 50,55,56 | 84 | |||||||||||||||
60,63,65,70 | 107 | |||||||||||||||
TGL10 | 175 | 175 | 95 | 95 | 6 | 30,32,35,38 | 60 | 710 | 3150 | 0.052 | 0.0535 | 16.92 | 17.1 | 0.7 | ±1 | ±1 |
40,42,45,48, 50,55,56 | 84 | |||||||||||||||
60,63,65,70,71,75 | 107 | |||||||||||||||
80,85 | 132 | |||||||||||||||
TGL11 | 210 | 210 | 102 | 102 | 8 | 40,42,45,48, 50,55,56 | 84 | 1250 | 3000 | 0.1624 | 0.165 | 34.26 | 34.56 | 0.8 | ±1 | ±1 |
60,63,65,70, 71,75 | 107 | |||||||||||||||
80,85,90,95 | 132 | |||||||||||||||
100,110 | 167 | |||||||||||||||
TGL12 | 270 | 270 | 135 | 135 | 10 | 50,55,56 | 84 | 2500 | 2120 | 0.4674 | 0.4731 | 66.42 | 66.86 | 1.1 | ±1 | ±1 |
60,63,65,70, 71,75 | 107 | |||||||||||||||
80,85,90,95 | 132 | |||||||||||||||
100,110,120,125 | 164 | |||||||||||||||
NL型鼓形齒式聯軸器
內齒形彈性聯軸器是目前國內的最新產品,在國外已經廣泛地被采用,該產品由機械委濟南鑄造鍛壓機械研究所設計,適用于軸間及的撓性傳動,允許較大的軸向徑向位移和角位移,且具有結構簡單、維修方便、拆裝容易、噪聲低、傳動功率損失小、使用壽命長等優點,備受用戶歡迎。軸孔型式有圓柱形(Y)、圓錐形(Z)和短圓柱形(J)。軸孔和鍵槽按國家標準《聯軸器軸孔和鍵槽形式及尺寸》的規定加工。工作溫度為-20~+70℃。
半聯軸器采用精密鑄造,鑄鐵HT20-40、鑄鋼ZG35Ⅱ,軸孔和鍵槽采用拉制成型,內齒形聯軸器彈性體外套可根據用戶使用要求選用各種硬度合成橡膠脂橡膠、增強鑄型尼龍彈性體等材料。為滿足各種機械的更新改造及引進設備備件需要,可以提供品種規格齊全的內齒形彈性聯軸器,并可根據用戶需要接受非標準訂貨。

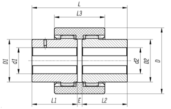
NL型鼓形齒式聯軸器基本參數和主要尺寸
型號 | 公稱 扭矩 N·m | 許用 轉速 rpm | 主要尺寸 | 最大尺寸偏差 | 轉動 慣量 kg·cm2 | 重量kg | ||||||||
軸孔直徑 d1、d2 | 軸孔長度L1、L2 | L | D | D1 D2 | E | L3 | 軸向 mm | 徑向 mm | 角向 a° | |||||
NL1 | 40 | 6000 | 6 8 10 12 14 | 16 20 25 32 | 37 45 55 69 | 40 | 26 | 4 | 34 | 2 | ±0.3 | 1 | 0.25 | 0.85 |
NL2 | 100 | 6000 | 10 12 14 22 16 18 20 24 | 25 32 42 52 | 57 71 91 111 | 42 | 36 | 4 | 40 | 2 | ±0.4 | 1 | 0.92 | 1.7 |
NL3 | 160 | 6000 | 20 22 24 25 28 | 52 65 | 113 133 | 66 | 44 | 4 | 46 | 2 | ±0.4 | 1 | 3.1 | 2.6 |
NL4 | 250 | 6000 | 28 30 32 35 38 | 62 82 | 129 169 | 83 | 58 | 4 | 48 | 2 | ±0.4 | 1 | 8.69 | 3.6 |
NL5 | 315 | 5000 | 32 35 38 40 42 | 82 112 | 169 229 | 93 | 68 | 4 | 50 | 3 | ±0.4 | 2 | 14.28 | 5.5 |
NL6 | 400 | 5000 | 40 42 45 48 | 82 112 | 230 | 100 | 68 | 4 | 52 | 3 | ±0.4 | 2 | 18.34 | 6.9 |
NL7 | 630 | 3600 | 45 48 50 55 | 82 112 | 229 | 115 | 80 | 4 | 60 | 3 | ±0.6 | 2 | 56.5 | 9.8 |
NL8 | 1250 | 3600 | 48 50 55 60 63 65 | 112 142 | 229 289 | 140 | 96 | 4 | 72 | 3 | ±0.6 | 2 | 98.55 | 26.5 |
NL9 | 2000 | 2000 | 60 63 65 70 71 75 80 | 142 172 | 295 351 | 175 | 124 | 6 | 93 | 4 | ±0.7 | 2 | 370.5 | 37.6 |
NL10 | 3150 | 1800 | 70 71 75 80 85 90 95 100 | 142 172 212 | 292 352 432 | 220 | 157 | 8 | 110 | 4 | ±0.7 | 2 | 1156.8 | 55 |









